购物车

您的购物车目前是空的。

前去购物
1 / 1

RL2540中继镜 增距镜 Relay Lens

产品特点
① 大出瞳,支持16mm光阑大小
② 适用于长焦/潜望式镜头检测
③ 用于调焦,产品终检
④ 高还原性
RL2540规格书下载
点此联系客服

 

 

型号 视场角 MDR 出瞳直径 重量 模拟距离范围 畸变 轮廓尺寸
RL2540 40° 25mm 16mm 0.35kg

500-INFmm

1%
Φ70x51.72mm

 


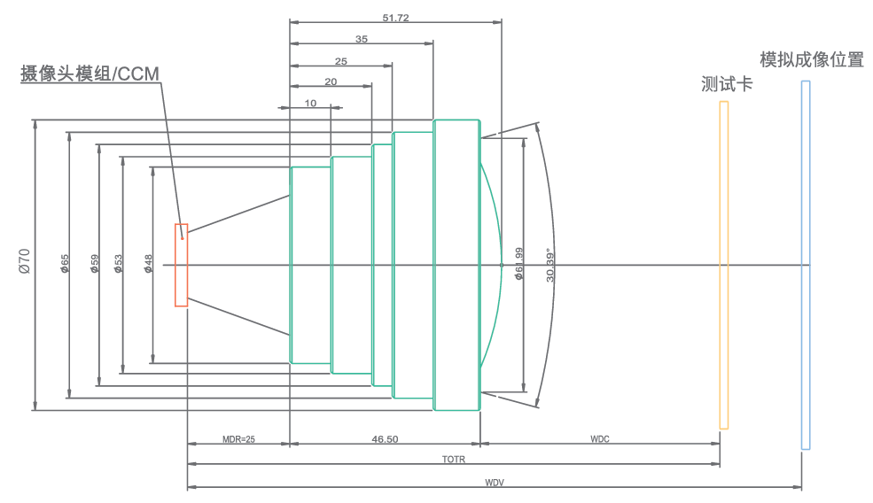
结构尺寸图

*MDR: 摄像头模组到中继镜相端的安装距离                   WDV: 摄像头模组到模拟成像位置的距离                 WDC: 中继镜物端到测试卡的距离


最大角度下测试卡的尺寸

 

WDV(mm)

摄像头模组到模拟成像位置的距离

WDC(mm)

中继镜物端到测试卡的距离

测试卡尺寸(LXW)
16:9 4:3
长(mm) 宽(mm) 长(mm) 宽(mm)
500 211 152.2 85.6 139.7 104.8
1000 294.2 189.3 106.5 173.8 130.3
5000 384.6 235.2 132.3 215.9 161.9
无穷远 414.5 250.3 140.8 229.8 172.3

 


 

FOV范围 型号 波长(nm) 最大FOV (°) MDR(mm) 最大畸变 (%) 出瞳直径(mm) 重量(KG)
FOV<90° RL2540 420~680 40 25 1 16 0.35
RL1045 420~940 45 10 0.5 18 0.02
RL4045 420~940 45 40 0.3 18 0.11
RL2545C 420~940 45 25 1 16 0.39
RL3075 420~940 75 30 0.25 10 0.55
RL2288-398 420~680 88 20 0.5 3 0.325
RL2288-399 420~680 88 20 1 3 0.245
FOV<120° RL0990 420~940 90 9 0.3 5 0.04
RLD1090B15 420~940 90 10 1 4 0.83
RL4090 420~940 90 40 1 5.5 1.5
RL1590-267 420~680 90 12.3 0.5 3 0.745
RL1890-666 420~680 90 17 0.2 3 0.127
RL10116 420~940 116 10 20 4.5 0.51
FOV>120° RL07120 420~940 120 7 2.5 4 0.16
RL10120 420~940 120 10 5 7 2.05
FL10120 420~940 120 10 5 6 1.27
RL30120 420~940 120 30 32 4.5 4.68
RL11125 420~940 125 11 0.2 4 3.23
RL06130C 420~940 130 6 15 4.5 0.4
RL06130D 420~940 130 6 30 4 0.23
RL19130 420~940 130 19 30 4 1.48
RL25130-750 420~680 130 18 20 3 1.08
RL15130 420~900 130 15 38 5 5
FL15130 420~900 130 15 27 5 4.95
RL09150B 420~940 150 9 60 5 4.12

 


 

 

RL2540中继镜 增距镜 Relay Lens | 隆测

如何挑选中继镜

摄像头模组直接测试时,需要超大测试距离以及超大靶面,使用
中继镜后,可以将其转化到极小空间内进行,缩短测试距离,缩
小测试图卡,最终减少检测成本。
点击查看

联系我们