产品参数
| 型号 | 视场角 | MDR | 出瞳直径 | 重量 | 模拟距离范围 | 畸变 | 轮廓尺寸 |
| RL09150B | 150° | 9mm | 5mm | 4.2kg |
400-INFmm |
<60%
|
Φ185x75.48mm |
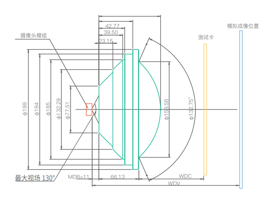
结构尺寸图
*MDR: 摄像头模组到中继镜相端的安装距离 WDV: 摄像头模组到模拟成像位置的距离 WDC: 中继镜物端到测试卡的距离
最大角度下测试卡的尺寸
|
WDV(mm) 摄像头模组到模拟成像位置的距离 |
WDC(mm) 中继镜物端到测试卡的距离 |
测试卡尺寸(LXW) | |||
| 16:9 | 4:3 | ||||
| 长(mm) | 宽(mm) | 长(mm) | 宽(mm) | ||
| 400 | 139.78 | 425.15 | 239.15 | 390.24 | 292.68 |
| 1000 | 168.55 | 482.07 | 271.16 | 442.48 | 331.86 |
| 5000 | 186.71 | 518.06 | 291.41 | 475.52 | 356.64 |
| 无穷远 | 191.60 | 527.74 | 296.85 | 484.40 | 363.30 |




























